Tilkobling av døren til DS-KIS101-P, DS-KIS703-P, DS-KIS604-S Hikvision videodøråpnersystem
Melding fra dato: 08-08-2022
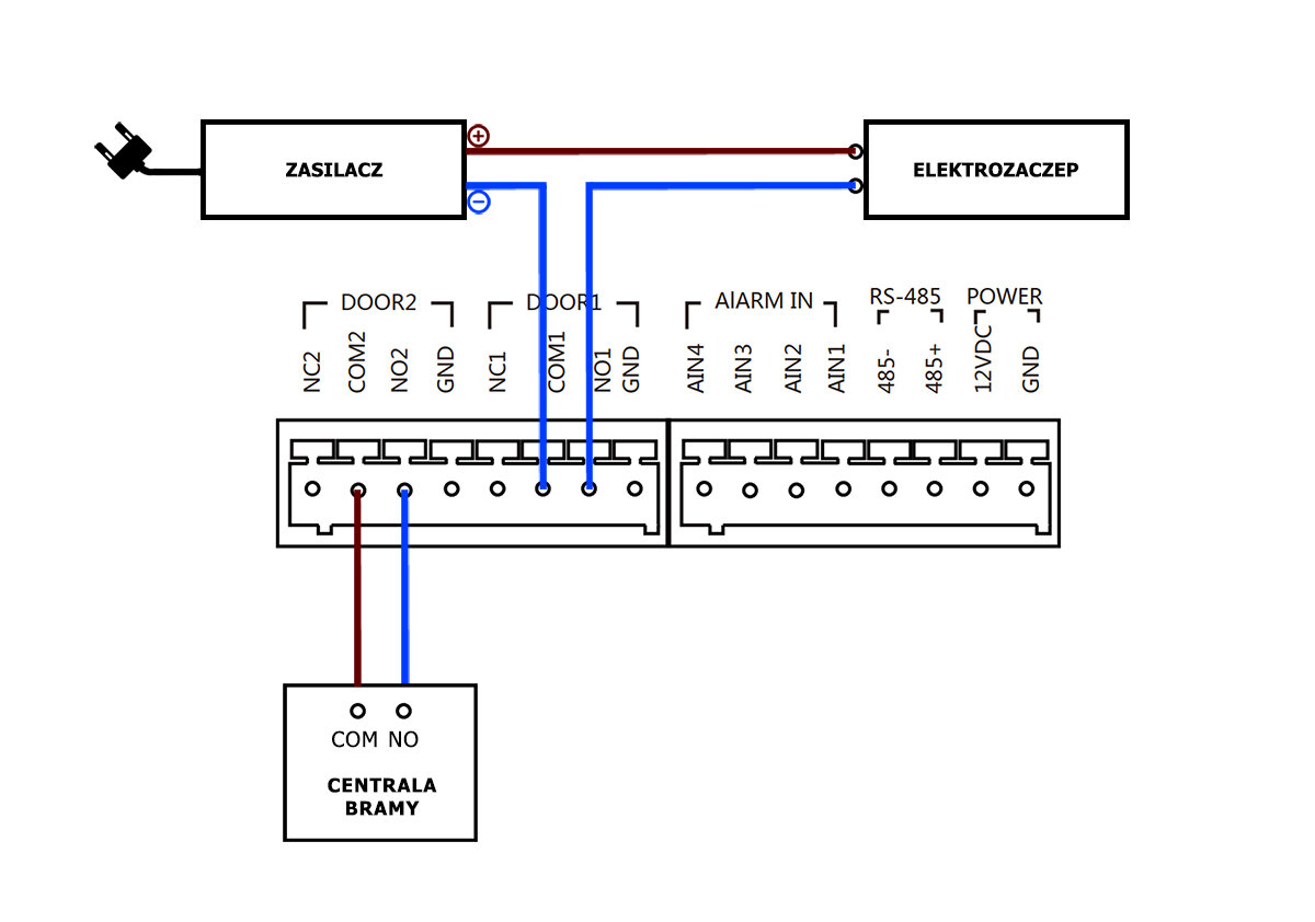
Tilkobling til gatewayens kontrollpanel:
Tilkobling til gatewayens kontrollpanel:
DS-KIS101-P videointercom:

DS-KIS703-P videointercom:

DS-KIS604-S videointercom


DS-KIS703-P videointercom:

DS-KIS604-S videointercom

Andre oppføringer
Merkeområde
Våre anbefalinger
- Byovervåking
- Hjemovervåking
- Boligområdeovervåking
- Butikovervåking
- Apotekovervåking
- Parkeringsovervåking
- Kontorovervåking
- Skoleovervåking
- Lagerovervåking
- Bensinstasjonovervåking
- Harddiskkapasitetskalkulator
- Objektivets brennviddekalkulator
- Omfattende ekspertstøtte
- Effektiv ordrebehandling
- Konkurransedyktige priser, kampanjer og rabatter
- 17 år på markedet


















